Каталог

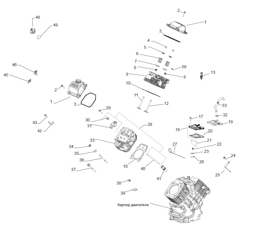
Головка цилиндра двигателя Kohler ЕCH 749-3041, для снегохода Буран 4Т

Фото Наименование Артикул Примечание Цена, руб. Заказать
Клапан выпускной 24 016 02-S 0112859 8 012.4
Прокладка 24 841 04-S 0119080 8 012.4
Винт М-651030-S 0112857
Винт M-545010-S (FLG THD FRM M5x.8x10) 0103317
Крышка клапанной камеры 24 755 141-S 0105047 6 718.8
Тарелка клапанной пружины 25 173 28-S 0108704 246.4
Прокладка 24 153 28-S (24 153 30-S) 0105048 844.8
Уплотнение клапана 25 032 14-S 0119078 2 450.8
Стопор 12 755 03-S 0105049 169.4
Головка цилиндра 24 318 155-S 0119152 30 412.8
Клапан впускной 24 017 02-S 0112858 4 968.7
Датчик температуры 25 418 02-S 0119081 6 075.3
Пружина 24 089 02-S 0105051 580.8
Саморез 25 086 396-S 0119082
Крышка сапуна 24 096 132-S 0119083 5 238.2
Фиксатор пружины 235011-S 0105052 431.2
Прокладка суфлера 24 041 67-S 0119084
Фильтр 24 050 11-S 0119085 282.7
Подъемник 25 445 03-S 0119087
Клапан впускной 24 017 01-S 0105055 4 670.6

Почему выгодно купить у нас

Поставка c завода г. Рыбинск. Мы производители

Спец Тариф на доставку в ТК

Заводская гарантия 12 месяцев

Популярные статьи

Подборка из 5 снегоходов для рыбалки

Куда удобнее отправить?