В этой статье мы разберем 5 отличий двигателя Loncin от Lifan. Надеюсь, наши рекомендации будут для вас полезны.
Сравниваем 2-тактные и 4-тактные двигатели для снегохода: расход, надёжность, стоимость. Практические советы от производителя для охотников, рыбаков и тех, кто выбирает технику с умом.
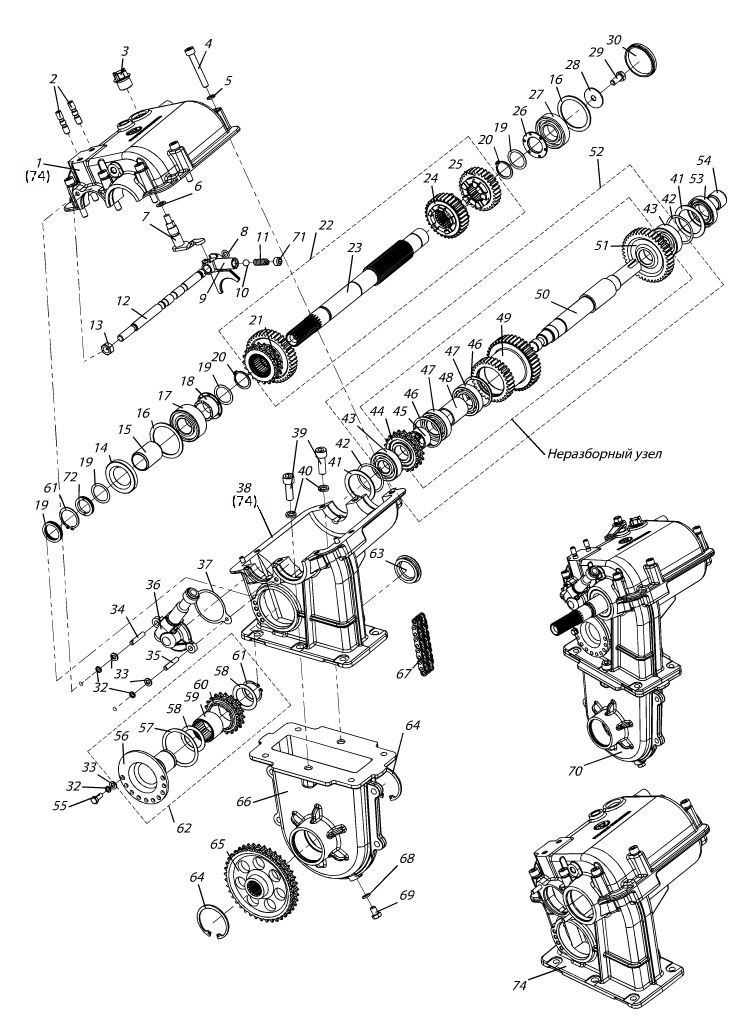
Балансирная тележка — ключевой узел подвески снегохода Буран и его аналогов.
Если вы собираете снегоход сами или хотите заменить раму на более прочную и продуманную — эта информация для вас.
Куда удобнее отправить?
Чтобы закрепить за Вашим номером подарок и получить обзор Вашей комплектации, выберите удобный способ связи.
1. Подтверждение БРОНИ подарка 2. Видео-обзор с производства СнегоТехника
Вам куда удобнее отправить?
Используя Сайт, вы соглашаетесь на работу с cookies и обработку персональных данных. Подробнее - в публичной оферте и политикой конфиденциальности.
Товар добавлен в корзину. Вы можете оформить заказ или продолжить покупки. Минимальная сумма для заказа составляет 5000 руб.