Каталог

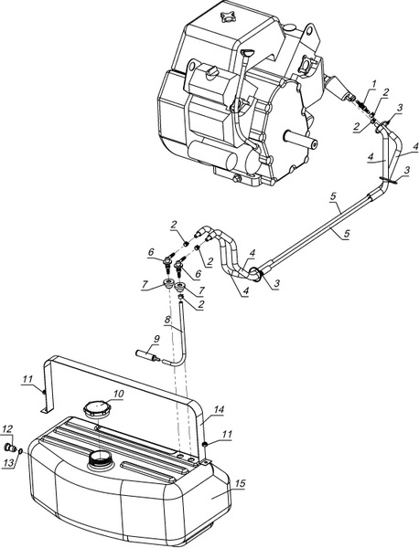
Система питания для двигателя Robin Subaru для снегохода Буран 4Т

Фото Наименование Артикул Примечание Цена, руб. Заказать
Хомут SEL.3.210 140х3,5 0016420
Штуцер 110800002 0010979
Кольцо 012-016-25-2-3 ГОСТ 18829-73 (2 шт.) 0128566 67.1
Трубка 110800182-01 0098388
Бак топливный 110800090-01 0013855
Бак топливный 110800090-01ЗЧ 0140325 3 534.3
Бак топливный 110800179 0011018 1 150.6
Крышка 110800190 0011020 354.2
Гайка М8 DIN 982-8P 0071595 11
Хомут 110800146 0011001 217.8
Трубка 110800182 0013764
Хомут KSA-0830 0052725
Штуцер 110800002 (2 шт.) 0128545 91.3
Кольцо 012-016-25-2-3 ГОСТ 18829-73 0015794
Заглушка 110800026 0010982 134.2
Трубка K90800005 0087302
Втулка 110800047 0010985
Втулка 110800047 (2 шт.) 0123778 94
Хомут пластинчатый В-00095-27 (4 шт.) 0129388 126
Хомут пластинчатый В-00095-27 0112735

Почему выгодно купить у нас

Поставка c завода г. Рыбинск. Мы производители

Спец Тариф на доставку в ТК

Заводская гарантия 12 месяцев

Популярные статьи

Подборка из 5 снегоходов для рыбалки

Куда удобнее отправить?