Каталог

Коробка реверса 110607100 для снегохода Буран Лидер

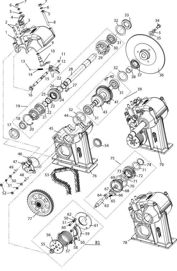
Фото Наименование Артикул Примечание Цена, руб. Заказать
Втулка 110200521 (2 шт.) 0123774 63.8
Крышка коробки реверса 110602257 0068547
Заглушка 110600079 (2 шт.) 0125257 93.5
Кольцо 006-010-25-2-2 ГОСТ 18829-73 0009956
Кольцо B25 DIN 471 ST- P (3 шт.) 0128574 161.7
Пружина 110600455 0010712
Шарик Б6-200±25 ГОСТ 3722-81 (2 шт.) 0130384
Вал ведущий 110607180 0131429 12 075.8
Шпилька М8x16 DIN 835-10.9P 0073310
Подшипник 6-205К(6205.Р6Q6)* ГОСТ 8338-75 0018018
Рычаг 110600211 0010660 565.4
Звездочка 110607128 0131369 3 122.9
Шпилька М8x55 DIN 835-10.9P 0073347
Подшипник 1-942/25 ГОСТ 4060-78 0015889 448.8
Кольцо 006-010-25-2-2 ГОСТ 18829-73 (5 шт.) 0128565 93.5
Кольцо регулировочное 340600001-02 0012228
Рычаг 110600180 0010629 470.8
Кольцо регулировочное 340600001 0012226 52.8
Кольцо 236-1110394 0053005
Подшипник 6204 фирмы CRAFT 0074353

Может пригодиться

Мотобуксировщик Paxus 500 Grand
Длина: 1650
Тип подвески: катки / склизы / подпружиненные склизы / пневмоколеса
Мощность: 9 / 13 л.с.
В наличии 30 шт
Снегоуборщик Habert HBM22B (KC212) ШЛ
36 700
Подробнее Рассрочка/кредит от 1 223 ₽/мес
Гусеница Composit C38 CD01000
Ширина гусеницы: 15
Длина гусеницы: 129
Высота: 1.5
Шаг: 2.86
45 484
Подробнее Рассрочка/кредит от 1 516 ₽/мес
В наличии 3 шт

Почему выгодно купить у нас

Поставка c завода г. Рыбинск. Мы производители

Спец Тариф на доставку в ТК

Заводская гарантия 12 месяцев

Популярные статьи

Подборка из 5 снегоходов для рыбалки

Куда удобнее отправить?