Каталог

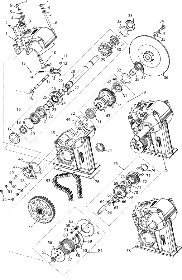
Коробка реверса 110607100 для снегохода Буран Лидер

Фото Наименование Артикул Примечание Цена, руб. Заказать
Колесо храповое 110607101 0130471 2 952.4
Втулка 110200521 0010251
Шпонка 8х7х24 DIN 6885-B 0066290 42.9
Валик 110607112 0131245
Вал ведущий 340600104 0012555 4 274.6
Собачка 110607114 0131247
Шестерня 110600434 0010702 2 226.4
Пружина 110607115 0131135
Кольцо регулировочное 340600001-02 (2 шт.) 0128446 69.3
Держатель 110607130 0131347
Кольцо регулировочное 340600001 (2 шт.) 0128011 106.7
Втулка 110607113 0131246
Подшипник 6-204К(6204.P6Q6)* ГОСТ 8338-75 (2 шт.) 0131253 504.9
Ось собачки 110607116 0131251
Кольцо стопорное 340600022 0012472 33
Вал натяжной 110607111 0131244 4 625.5
Звездочка 110607127 0131368 3 141.6
Заглушка 340600023 0012242
Подшипник 1-942/30 ГОСТ 4060-78 0015880 491.7
Болт М8 110200138 0010220 259.6

Почему выгодно купить у нас

Поставка c завода г. Рыбинск. Мы производители

Спец Тариф на доставку в ТК

Заводская гарантия 12 месяцев

Популярные статьи

Подборка из 5 снегоходов для рыбалки

Куда удобнее отправить?